K2 に 144 / 28 MHz Transverter を接続する方法を考える (その4)
K2 に 144 / 28 MHz Transverter を接続する方法を考える、その4です。
K2、KPA100/KAT100、2m Transverter の接続を見直してみました。

K2、KPA100/KAT100 の接続は図の下の方にあります。
K2 の PA 出力は KAT2 を通って、KAT100 に入り、EC2 に同梱されている KPA100 に入ります。
KPA100 の出力は KAT100 に入って、アンテナに繋がります。
この K2 と KAT100 の間に 2m Transverter を入れる事にしました。
それが上の図です。
こうすると 2m Transverter に電源が入っていないと K2 の PA 出力は 2m Transverter をスルーして KPA100/KAT100 入ります。
2m Transverter の電源を入れると、K2 の PA 出力は 2m Transverter で変換され、2m のアンテナに繋がります。
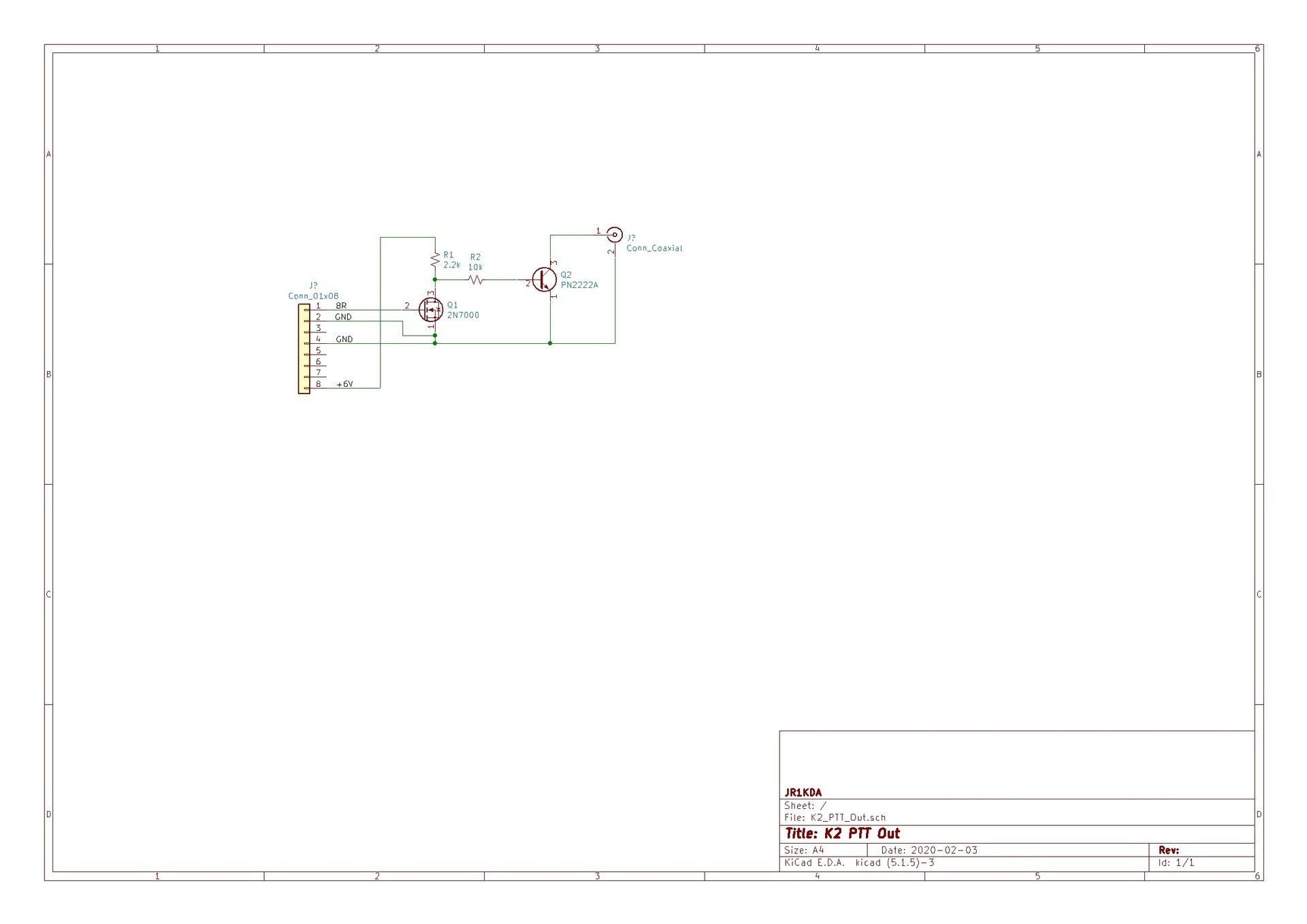
早く K2 の PTT インターフェースを作らないと....
回路図は KiCAD に入れたので、他の作りたい基板と合わせて、面付け、Vカット仕様で発注する予定です。
K2、KPA100/KAT100、2m Transverter の接続を見直してみました。
K2、KPA100/KAT100 の接続は図の下の方にあります。
K2 の PA 出力は KAT2 を通って、KAT100 に入り、EC2 に同梱されている KPA100 に入ります。
KPA100 の出力は KAT100 に入って、アンテナに繋がります。
この K2 と KAT100 の間に 2m Transverter を入れる事にしました。
それが上の図です。
こうすると 2m Transverter に電源が入っていないと K2 の PA 出力は 2m Transverter をスルーして KPA100/KAT100 入ります。
2m Transverter の電源を入れると、K2 の PA 出力は 2m Transverter で変換され、2m のアンテナに繋がります。
早く K2 の PTT インターフェースを作らないと....
回路図は KiCAD に入れたので、他の作りたい基板と合わせて、面付け、Vカット仕様で発注する予定です。
この記事へのコメント